Pages

Sunday, 17 February 2013

Service TV samsung Projection

Service Tv Samsung  Projection

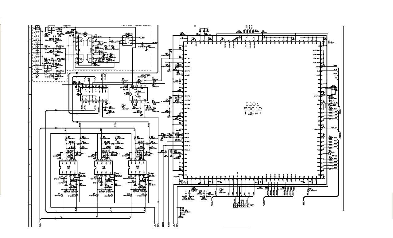
Samsung Rear Pojection Tv atau RPTV,sering mengalami cacat convergence.
Bisa diakibatkan karena Ic power STK nya rusak
Tetapi bisa juga disebabkan oleh convergence control modulnya
berikut screenshoot convergence module samsung yang memakai ic SDC12
Lebih lengkap akan segera kami up

BERLANJUT!!!!!

No comments:

Post a Comment